FOR STEEL

圧延機出入口ローラーガイド

Roller Guide 圧延機出入口ローラーガイド

NE-3000 ローラーガイド

NE-3000 Roller Guide

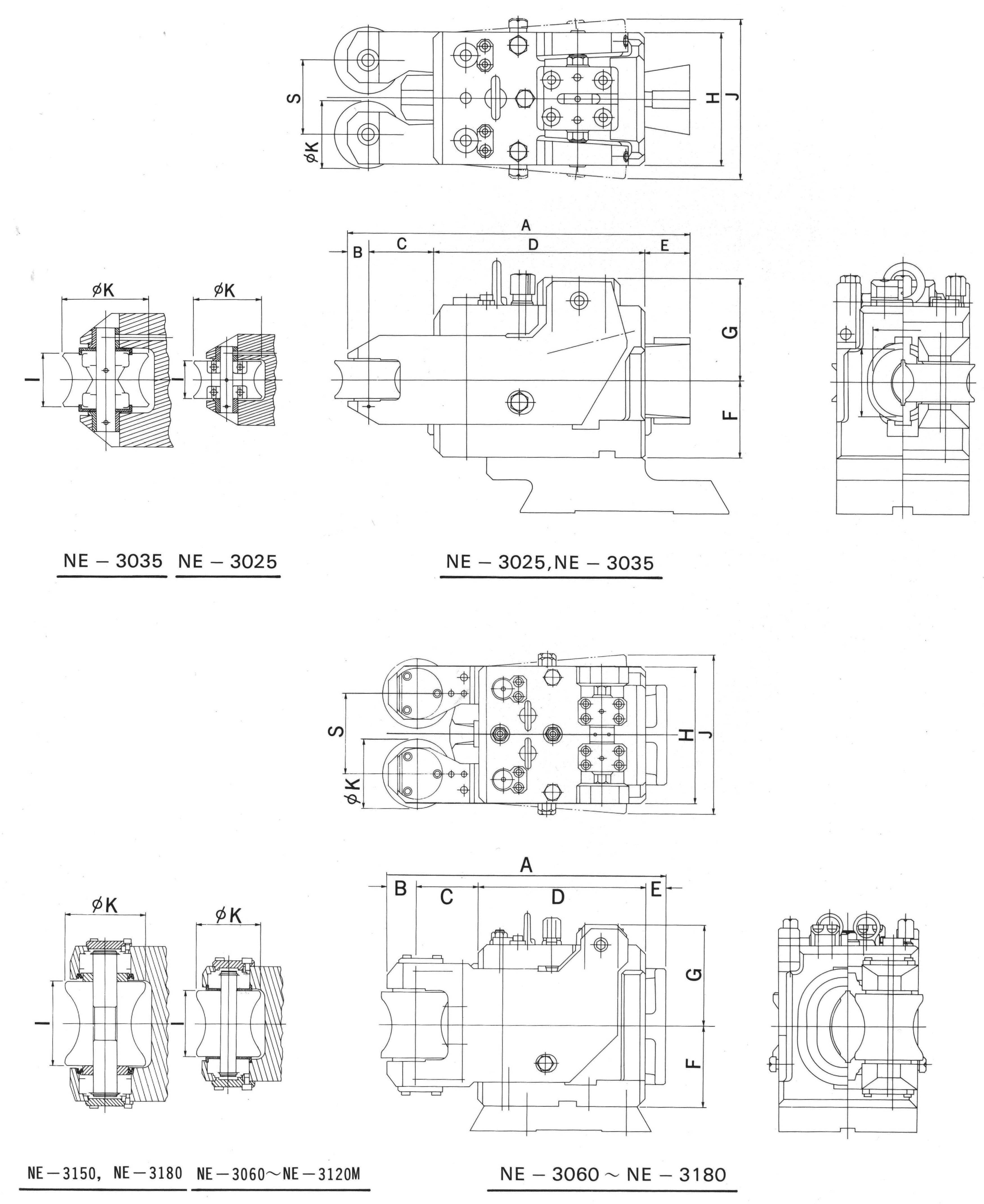
アーム調整機構が一部の部品取替えにより同時調整、片側個別調整の選択が可能な構造になっております。

アームは鋳造品を使用せず、圧延材に特殊な熱処理を施し剛性を高めたものを使用しています。

支点ピン、ローラーシャフト等の保持は、全てブッシュを使用し、アーム、本体の延命となる構造になっております。

エントリーガイドのアダプター部をテーパー形状としており、上部アダプターの上下により固定と取り外しが完全にかつ容易にできる構造としております。

各部品は、特殊表面処理を施しており、耐食、耐摩耗性に優れております。

  • NE-300ローラーガイド
  • 主要寸法表
    P10図1
  • P10図2
NE-3000型
P11図1

ND-2000 ツイストローラーガイド

ND-2000 Twist Roller Guide

従来のツイストガイドと比較して全長が短縮されており、ロール間距離が短いところでも使用でき、レストバーにセットの際、

また圧延中の安定性があります。(ショートタイプ)

ガイドフレームが2ツ割になっており、ローラーホルダーの取り付け、取り外しが容易にできます。

ホルダー軸穴延命策として、偏心スリーブの外径を大きくし、軸穴にかかる負荷面積を大とし、更に給脂をしております。

ツイストローラー芯間距離は、偏心軸と上下同調ギヤにより同時に駆動し、無段階に設定できます。

類似型と比較し、使用する軸受を同一としながらも、ローラーを経済径としてあります。

ローラー軸をストレート形状とし、ランニングコストの低減を考慮しております。

ホルダー角度調整機構部が単独で取り外せ、メンテナンスの簡易性を考慮しております。

各部品は、特殊表面処理を施しており、耐食、耐摩耗性に優れております。

  • ND-2000ツイストローラーガイド
  • 主要寸法表
    P12図1
ND-2000型標準タイプ
P13図1
ND-2000型ショートタイプ
P13図2

Guide

ガイド装置

当社は線材・棒鋼・形鋼圧延において各需要家様のご要望に合うよう、

その使用条件に応じたローラーガイド等の設計製作に数多くの実績を納めています。

Nippon Mill Guide has an extensive record in the design and manufacture of order made roller guide boxes for rolling wire rod,round bar,angle,channel and various special shapes.
事業内容_img01

CLOSE